IPC-FB8510-RW

IPC-FB8510-RW

产品咨询
400-4008-999 拨打全国热线了解更多


型号

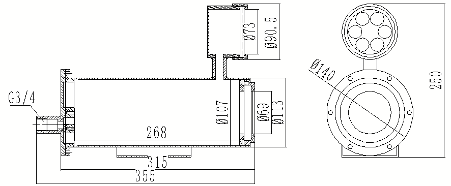
IPC-FB8510-RW

内腔尺寸

268(L)*70(W)*70(H)mm

外形尺寸

355(L)*Ø140(W)*250(H)mm

材料

外壳304或316L不锈钢

防护等级

 防护等级 IP68

安装方式

壁装

供电方式

DC12V

接口

1 个 3/4" 出线孔

红外距离

50M

重量

4.2Kg


联系我们

联系我们

400-631-6166
产品目录

产品目录